FLOCON INDUSTRIES have an extensive experience in manufacturing of sanitary BALL VALVES. Sanitary ball valve designed with bore diameter same as of pipe diameter.
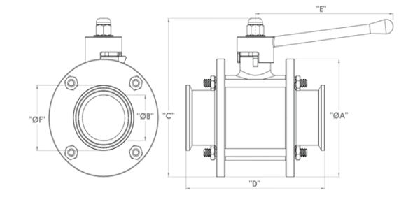
The Flocon Industries sanitary ball valve has a precision-made ball with full bore positioned inside the valve body and two PTFE valve seats and one retainer. A 90° rotation of the valve stem enables opening or closing the valve. A specially selected PTFE-grade material secures long lifetime. Manually-operated handle enables valve operation. Valve retainer enable assembly and disassembly for easy inspection cleaning and maintenance.
Confirming to ASME B16 / ASME BPE & Equiv Standards.
The Flocon Industries sanitary ball valve consists of a valve body and two body flanges, a ball fitting into sealing seats, and a stem connecting to a manual handle. The valve comes with standard Triclover ends, SMS union ends and Butt weld ends. Standard design enables cleaning and product recovery using pigging systems. Flocon Three Piece Design ball valve is designed for use in sanitary applications with OD Standards.
Reliable full-flow performance
Durable and water hammer-safe
Compact hygienic design
Easy to clean
Versatile operation manual control
The Flocon Industries sanitary ball valve is ideal for use as a hygienic product valve across the dairy, food, beverage, chemical, Pharmaceutical and many other allied industries.

| Size | ½” to 4” OD |
|---|---|
| Max. Operating Pressure | 14 Bar |
| Max. Operating Temperature | 140°C |
| Material of Construction | SS304, SS316L |
| Seat | Teflon |
| Surface Finish Internally | Ra <0.4 µm |
| External Finish Internally | Ra <0.8 µm |